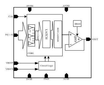
This digital-to-analog converter implements segmented R-2R and thermometer decoder architecture to achieve 12-bit resolution. The DAC consists of input data latch, control logic and resistor ladder offers single-ended or differential voltage output by a build-in analog buffer amplifier. The DAC support data update rate up to 1Msps and offer power-down mode to reduce power dissipation.
It is suitable for integrated auxiliary DAC applications and multi-converter architectures.
|
|
|
|
|













